歡迎致電:153-1256-1575
江蘇丹港機械制造有限公司
Jiangsu Dangang Machinery Manufacturing Co., Ltd
產品展示
PRODUCT DISPLAY
.jpg)
GSB旋轉供料器
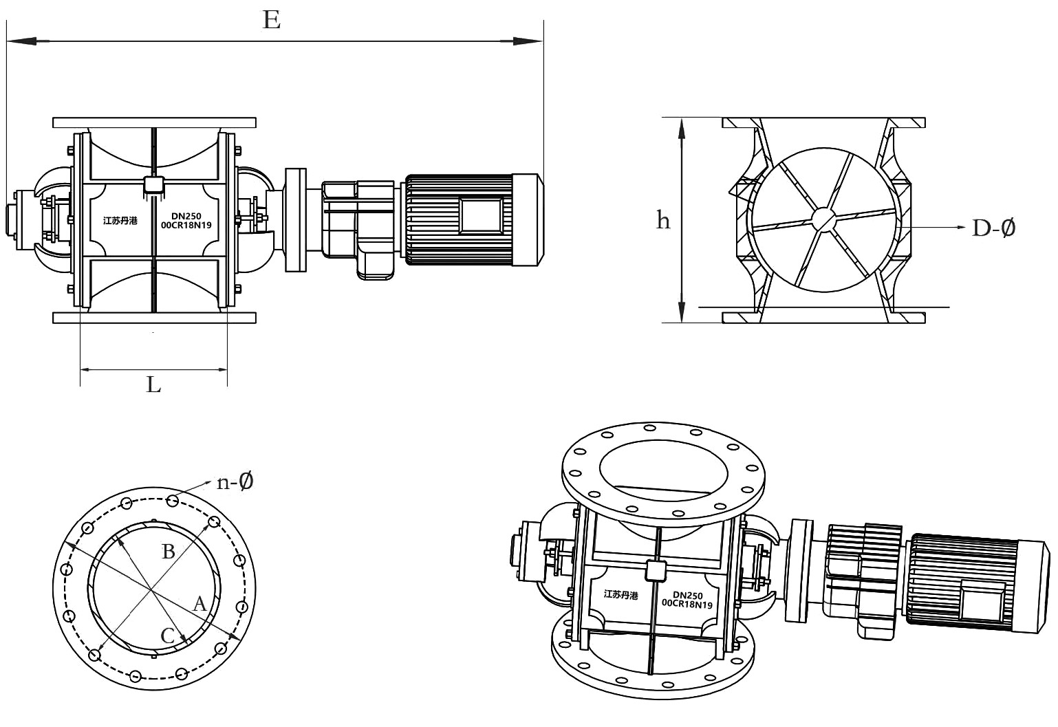
GSB旋轉供料器,殼體及主要零部件采用精密鑄造,外形美觀,用于下料或將物料添加到不同壓力的正壓或負壓氣流輸送系統中,是氣力輸送的必備設備軸承雙外置形式,具有良好的強度及精度,軸向采用多層保護系統,通過軸氣對于物料隔離,確保長期工作。
全國咨詢服務熱線:
18115598751
產品詳情
GSB旋轉供料器,殼體及主要零部件采用精密鑄造,外形美觀,用于下料或將物料添加到不同壓力的正壓或負壓氣流輸送系統中,是氣力輸送的必備設備軸承雙外置形式,具有良好的強度及精度,軸向采用多層保護系統,通過軸氣對于物料隔離,確保長期工作。
多形式結構轉子,小化的轉子間隙將泄漏量降到較低值,經過特殊處理,更適用于衛生、化工、醫藥、鋰電、食品等高要求行業,材質不銹鋼。
通過標準組件和設計的不同組合,可構成多形式的轉動配置選擇。
技術參數:
|
公稱通徑C |
法蘭規格 |
外形尺寸 |
|||||||||||||
|
普通法蘭 |
GB/Mpa |
|
|
|
|
|
轉速 |
重量 |
輸送動力 |
||||||
|
DN/mm |
DN/in |
B |
A |
N-? |
B |
A |
N-? |
h |
E |
L |
D-? |
電極功率 KW |
R/min |
kg |
can3L |
|
50 |
2 |
85 |
125 |
4-11 |
125 |
160 |
4-18 |
175 |
512 |
95 |
100 |
0.25 |
24-43 |
65 |
1 |
|
100 |
4 |
150 |
180 |
4-11 |
180 |
215 |
8-18 |
240 |
780 |
140 |
140 |
0.37 |
24-43 |
75 |
2 |
|
150 |
6 |
200 |
240 |
6-13 |
240 |
280 |
8-22 |
300 |
860 |
180 |
200 |
0.55 |
24-43 |
90 |
6 |
|
200 |
8 |
260 |
300 |
6-13 |
295 |
340 |
8-22 |
360 |
950 |
240 |
250 |
1.1 |
24-43 |
130 |
8 |
|
250 |
10 |
300 |
340 |
8-17 |
350 |
395 |
12-22 |
400 |
1015 |
290 |
280 |
1.5 |
24-43 |
165 |
14 |
|
300 |
12 |
360 |
400 |
8-17 |
400 |
445 |
12-22 |
440 |
1100 |
340 |
300 |
2.2 |
24-43 |
230 |
18 |
|
350 |
14 |
440 |
480 |
12-14 |
460 |
505 |
16-22 |
480 |
1156 |
360 |
320 |
3 |
24-43 |
300 |
20 |
|
400 |
16 |
460 |
460 |
12-14 |
515 |
565 |
16-22 |
560 |
1255 |
400 |
360 |
3 |
24-43 |
380 |
30 |
|
450 |
18 |
520 |
560 |
16-17 |
565 |
615 |
20-22 |
620 |
1350 |
480 |
400 |
4 |
24-43 |
480 |
50 |
|
500 |
20 |
560 |
610 |
16-17 |
620 |
670 |
20-22 |
680 |
1450 |
540 |
450 |
4 |
24-43 |
590 |
60 |
|
600 |
24 |
680 |
720 |
16-17 |
725 |
780 |
20-22 |
720 |
1530 |
620 |
480 |
4 |
24-43 |
720 |
80 |


地址:丹陽市導墅鎮東油村老預制場 電話:153-1256-1575
Copyright 版權所有 © 江蘇丹港機械制造有限公司
備案/許可證編號:蘇ICP備18003308號-2
技術支持:江蘇網博
全國服務熱線:
153-1256-1575
(工作時間:周一至周日9:00—18:00)